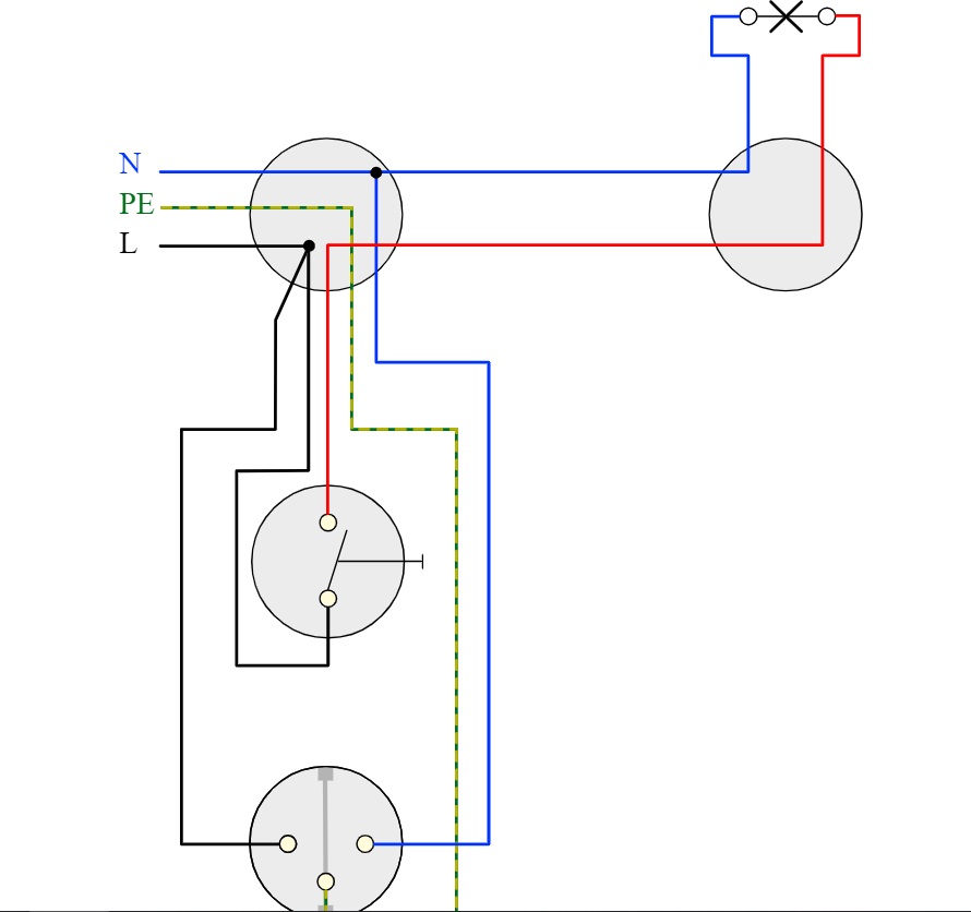
Χρησιμοποιώντας το πρόγραμμα ProfiCAD, μέσω των πλαϊνών υπομενού (στα εικονίδια συμβόλων) hoyse electrical symbols και electrical installations, σχεδιάστε το μονογραμμικό και πολυγραμμικό ηλεκτρολογικό σχέδιο κυκλώματος απλού διακόπτη με ρευματοδότη, όπως φαίνεται στην παραπάνω εικόνα.
Στη συνέχεια μπορείτε να αποθηκεύσετε στον υπολογιστή σας το αρχείο που δημιουργήσατε (δίνοντάς του κι ένα όνομα) μέσω του Αρχείο/Αποθήκευση ως και να το υποβάλλετε σε αυτή την εργασία στο Επιλογή αρχείου.
Εναλλακτικά μπορείτε να ακολουθήσετε τη γνωστή διαδικασία (PrtSc, Ctrl+C, άνοιγμα εγγράφου Word, Ctrl+V).
Καλή επιτυχία!
Μάθημα : ΗΛΕΚΤΡΙΚΕΣ ΕΓΚΑΤΑΣΤΑΣΕΙΣ & ΣΤΟΙΧΕΙΑ ΗΛΕΚΤΡΟΛΟΓΙΚΟΥ ΣΧΕΔΙΟΥ Β' ΕΠΑΛ ΗΛΕΚΤΡΟΛΟΓΩΝ
Κωδικός : T327140
T327140 - ΦΩΤΙΟΣ ΠΑΝΑΓΙΩΤΟΠΟΥΛΟΣ
Ενότητες μαθήματος - 14ο Μάθημα: Σύνδεση απλού διακόπτη και ρευματοδότη
-
Εμφάνιση όλων των ενοτήτων
-
Βιβλία Β' τάξης ΕΠΑΛ τομέα Ηλεκτρολογίας-Ηλεκτρονικής
-
ΘΕΜΑΤΑ ΤΡΑΠΕΖΑΣ στο μάθημα ΗΛΕΚΤΡΙΚΕΣ ΕΓΚΑΤΑΣΤΑΣΕΙΣ & Στ. ΗΛΕΚΤΡΟΛΟΓΙΚΟΥ ΣΧΕΔΙΟΥ
-
1ο Μάθημα: Εργαλεία Εγκαταστάτη Ηλεκτρολόγου
-
2o Μάθημα: Δομή Ηλεκτρικής Εγκατάστασης Χωνευτού τύπου
-
3ο Μάθημα: Κατασκευή εργαστηριακών πινακίδων (προσομοίωσης δομής εσωτερικών ηλεκτρικών εγκαταστάσεων)
-
4ο Μάθημα: Αγωγοί Ηλεκτρικών Εγκαταστάσεων
-
5. Διαμόρφωση άκρων αγωγών
-
6ο, 7ο, 8ο Μάθημα:Επίδειξη και Χρήση Συνηθισμένου υλικού εγκαταστάσεων χαμηλής τάσης
-
9ο Μάθημα: Πολύμετρο και Έλεγχος ηλεκτρικής συνέχειας
-
10ο Μάθημα Μέρος Α: Έλεγχος διακοπτών
-
10ο Μάθημα Μέρος Β: Μέτρηση Ηλεκτρικής Τάσης AC στις Ηλεκτρικές Εγκαταστάσεις με ΠΟΛΥΜΕΤΡΟ (εργαστηρίου)
-
11ο Μάθημα: Βήματα σχεδίασης ηλεκτρολογικού σχεδίου
-
12ο Μάθημα: Σύνδεση απλού διακόπτη
-
13ο Μάθημα: Σύνδεση απλού διακόπτη με δυο λάμπες
-
14ο Μάθημα: Σύνδεση απλού διακόπτη και ρευματοδότη
-
15ο Μάθημα: Σύνδεση δυο φωτιστικών σημείων με απλό διακόπτη
-
16ο Μάθημα: Σύνδεση δυο φωτιστικών σημείων με διακόπτη κομυτατέρ
-
17ο Μάθημα: Σύνδεση πολύφωτου με διακόπτη κομυτατέρ
-
18ο Μάθημα: Έλεγχος φωτιστικού σημείου από δυο διακόπτες αλέ ρετούρ
-
19ο Μάθημα: Έλεγχος φωτιστικού σημείου από τρεις διακόπτες αλέ ρετούρ (1 μεσαίο και 2 ακραίους)
-
20ο Μάθημα: Συναρμολόγηση και δοκιμή κυκλώματος με έναν ΛΑΜΠΤΗΡΑ ΦΘΟΡΙΣΜΟΥ
-
21ο Μάθημα: Συναρμολόγηση και δοκιμή κυκλώματος με ΔΥΟ ΛΑΜΠΤΗΡΕΣ ΦΘΟΡΙΣΜΟΥ
-
Παιχνίδι ερωτήσεων για ηλεκτρολόγους
-
Βιβλία Β' τάξης ΕΠΑΛ τομέα Ηλεκτρολογίας-Ηλεκτρονικής
14ο Μάθημα: Σύνδεση απλού διακόπτη και ρευματοδότη

Λογισμικό για εύκολη και γρήγορη σχεδίαση ηλεκτρικών κυκλωμάτων & εγκαταστάσεων. Το profiCAD είναι ένα εύκολο, ευέλικτο και ελεύθερο λογισμικό για σχεδίαση ηλεκτρικών κυκλωμάτων εγκαταστάσεων, αυτοματισμού κ.λπ. – το οποίο συνεχώς βελτιώνεται – και μπορεί να χρησιμοποιηθεί από επαγγελματίες και εκπαιδευτικούς ηλεκτρολόγους, αλλά και από σπουδαστές όλων των βαθμίδων εκπαίδευσης.